
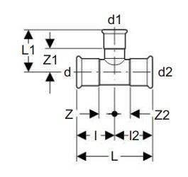
Geberit Mapress Нерѓосувачки Челичен Т-Кус Редуктор, 42 x 28 x 42 mm
2,890 MKD.
4,390 MKD.
-34%